防爆电接点压力表系按GB3836.183《爆炸性环境用防爆电气设备通用要求》和GB3836.283《爆炸性环境用防爆电气设备 隔爆型电气设备“d”》的有关规定相关标准进行设计,并经由国家指定的检验机构所审批的图样和技术文件进行制造。 仪表的防爆类别为II类隔爆型B级T4组,其标志为ExdIIBT4。 仪表适宜在有爆炸危险的场所内用来测量非结晶、非凝固的爆炸混凝土合物或各种无爆炸性的介质压力。 仪表经与具有相应防爆性能或采取相应安全措施的电气器件(如继电器及接触器等)配套使用,便能对被控系统实现自动控制和发信(报警)的目的。 【主要技术指标】 精确度等级:1.6 标度范围:0~0.16;0~0.25;0~0.4;0~0.6;0~1.0;0~1.6;0~2.5;0~4;0~6;0~10;0~16;0~25;0~40;0~60;-0.1~0.06;-0.1~0.15;-0.1~0.3;-0.1~0.5;-0.1~0.9;-0.1~1.5;-0.1~2.4MPa 控制方式:上、下限缓行接点开关 最高工作电压:DC220C或AC380V 触头功率:10VA 工作位置:垂直安装 使用环境条件:-10~50℃,相对湿度不大于80%,且爆炸性混合物应属IIB级T4组以下,工作振动和被测介质的急剧脉动应对仪表触头的可靠动作无影响。 温度影响:示值不大于0.4%/10℃,设定点不大于0.6%/10℃(使用温度偏离20±5℃) 绝缘强度:50Hz正弦交流电2000V历时一分钟 重量:6kg ● 隔爆接合面型式及基本参数

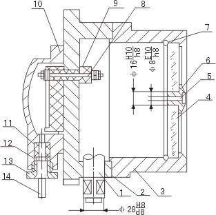
注:隔爆接合面的有效长度和间隙宽度的范例机参见隔爆外壳结构示意图 ● 隔爆外壳及导压系统等零件和材质

注:观察窗的材质其抗冲击强度不小于4J。 观察窗一旦损坏,则不准使用。 【结构原理】 仪表由隔爆外壳、测量系统、电接点组、调节装置和出线盒等组成。 仪表的隔爆外壳具有良好的隔爆性能,因此对在正常工作过程中由于火花或电孤的影响,除了能承受壳体内部的爆炸性气体混合物在一旦引起爆炸时产生的爆炸压力外,并能有效地阻止由此产生的热能向外顺利传播,而只能在壳体内部沿着隔爆接合面的微小缝隙处缓慢地向外扩散。这时,传至壳体外部的瞬间温度已降低到爆炸性气体混合物的燃点温度以下,故不会导致传爆。 仪表的工作原理是基于检测元件(测量系统中的弹簧管)的弹性变形,通过机械传动使之带动接点组中的触头产生相应的动作(闭合或断开)以使控压系统中的电路得以接通或断开,从而实现自动控制报警和现场指示的目的。

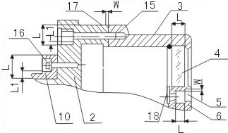
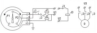
隔爆外壳结构示意图 1、接头 2、驱壳 3、盖 4、表玻璃 5、调节柱 6、轴套 7、弹簧圈 8、导电螺 9、绝缘套管 10、出线盒 11、密封垫圈 12、垫圈 13、压紧螺栓 14、引入导线(四芯电缆) 15、圆柱头内六角螺钉 16、圆柱头内六角螺钉 17、薄垫圈 18、调节杆 【电气电路连接示意图】

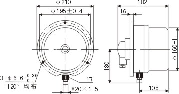
【外形尺寸】 单位:mm

 |